Namena
- Za primenu u sanitarnim i grejnim instalacijama i industriji
Svojstva
- Difuzno nepropusno
- Curi nestisnuto
- Vijčani spoj, ravno zaptivanje
- Odvojiv
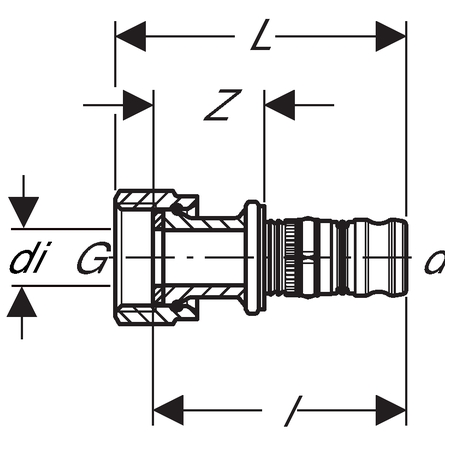
Tehnički podaci
- Materijal proizvoda – Crveni liv
- dØ = 63
- G = 2″
- L = 11,5
- l = 10,3
- Z = 3,6
Opseg dostave
- O prsten EPDM
- Ravno zaptivanje


